Welcome to Dongguan Guanbang Intelligent Technology Co., Ltd.!
Hotline Smart sales: 13926806966 中文 ENGLISH
NACHI
Guanbang Intelligence

National High-tech Enterprise The company is mainly engaged in: industrial robot sales and integrated applications, non-standard automation equipment

MC400L

MC400L

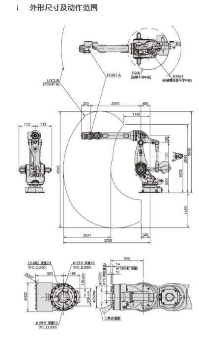
MC系列 MC400L 中空手腕 超重物可搬型机器人 中空手腕结构

产品描述

MC系列 MC400L

中空手腕 超重物可搬型机器人

中空手腕结构

避免因电缆凸出而与周边装置干扰通过手腕动作让电缆活动穏定,提高可靠性

高速动作

顶级的动作性能

手腕强而有力

利用充足的手腕能力,轻松地搬运大型工件还可对应高惯性工件

提高适用性

长工作半径上下工程 5m

用于搬运的信号线等为标准装备

空气双系统,信号线40芯,DeviceNet电缆,LAN电缆

MC400L MC400L