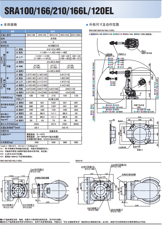
SRA系列 SRA100/166/210/166L/120EL
世界领先的速度 SRA系列多功能机器人
领先的速度
使机器人实现最短的作业节拍。追求快速性和振动控制的轻量,高刚性的SRA。进而提高了全轴速度,也缩短了气割动作时间。由此使生产性得到了飞跃性的提高。
使用方便的机器人
使用方便。通过最新的机械元件和电机驱动控制,提高位置反复的精度和驱动系的可靠性。 通过紧凑式的本体,可进行更高密度的设置。 简化了定期检查或零件更换等作业,也提高了维护性。
节能,节源
通过比以前减轻20%的轻质的机器人本体以及采用最新的电机驱动控制的最佳速度控制,实现了电力比以前降低15%的目标。
![]() |
