IRB 1200
小快灵、多用途的小型工业机器人
你是否想过让生产设备缩小15%、速度加快10%? 答案就在ABB IRB 1200机器人。具体而言,这款机器人在保持工作范围宽广这一优势的同时, 一举满足了物料搬运和上下料行业对柔性、易用性、紧凑性和节拍的各项要求。 作为一个机器人系列,IRB 1200提供的两种型号广泛适用于各类作业。两种型号都可选配食品级润滑、SafeMove2、铸造专家II代和洁净室防护等级。这两种型号的工作范围分别为700 mm和900 mm,最大有效负载分别为7 kg和5 kg。
全新设计,可选配SafeMove2和食品级润滑
SafeMove2
IRB 1200 SafeMove2是ABB配备先进的安全认证监控软件的体积最小的机器人。SafeMove2将机器人的运动严格限制在特定应用所需的范围内,使机器人与操作者能够更紧密地协作。
食品级润滑
食品级润滑(NSF H1)选配版包括洁净室ISO 3级和IP67防护等级,确保食品饮料应用安全卫生。洁净室ISO 3的设计避免食品搬运区受到污染。
特性与优势
工作站缩小15%,节拍时间缩短10%
可选配食品级润滑
可选配SafeMove2
标配IP40防护等级;可选洁净室、IP67和铸造专家II代防护等级
4条气管、10路用户信号线和以太网线,从手腕法兰到底座全程内部走线
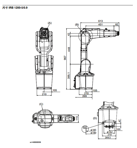
提供两种型号:700 mm工作范围/7 kg有效负载和900 mm工作范围/5 kg有效负载
能以任意角度安装
机身小巧,有效工作范围大
![]() |
![]() |
![]() |
![]() |
![]() |
![]() |





