IRB 120
紧凑柔性生产的理想之选
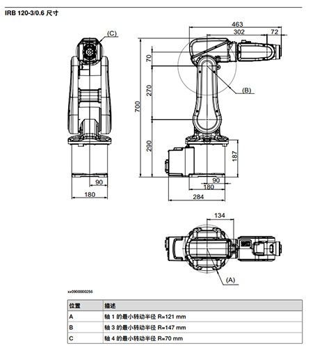
ABB迄今最小的多用途机器人IRB 120仅重25kg,荷重3kg(垂直腕为4kg),工作范围达580mm,是具有低投资、高产出优势的经济可靠之选。
已经获得了IPA机构“ISO 5级洁净室(100级)”的达标认证,能够在严苛的洁净室环境中充分发挥优势。
>>新品:ABB公司推出速度更快版本的IRB120
全新的IRB120T做为快速拾放应用的基准,需要极大的灵活性及结合业界领先的10微米可重复性。在保持其传统的紧凑,灵活,轻量级功能的同时,六轴机器人改进型IRB120T实现了4,5,6轴最高速度的大幅增加,周期时间改善高达25%。
![]() |
![]() |
![]() |
![]() |



